Splitters – Banner – CSB-M1240M1280
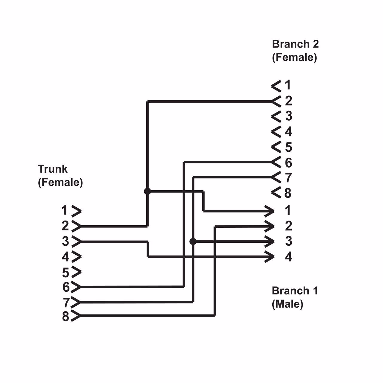
Splitter M12F to M12F and M12M Connectors
8-pin, Non-Shielded, IP67, AWG 22
Black PUR Cord, Straight Connectors
Splitter Length: 0 m
| Branches: Genders | Male, Female |
|---|---|
| Branches: Number of Contacts | 4, 8 |
| Number of Branches | 2 |
| Shield/No Shield | No Shield |
| Splitter: Overmold Material and Color | PUR Black |
| Trunk: Connector Type | M12 |
| Trunk: Gender | Female |
| Trunk: Number of Contacts | 8 |
| Trunk: Orientation | Straight |
| Wiring | Custom |
| Current (A) | 2 |
| Indication | No |
| Item Status | RELEASED |
| Oil/Grease Resistant | No |
| Operating voltage | 75 V ac/dc |
| Protection class shaft | IP67 |
| Radiation direction | Straight, Straight |
| Maximum Temp. (Celsius) | 105 |
| Minimum Temp. (Celsius) | -40 |
| Trunk Length (m) | |
| Connector type.1 | M12, M12 |
| Start/Restart interlock | Y |
SKU:
17959
Category: Cordsets
Description
Splitter M12F to M12F and M12M Connectors
8-pin, Non-Shielded, IP67, AWG 22
Black PUR Cord, Straight Connectors
Splitter Length: 0 m
