Splitters – Banner – CSB-M1250M1280
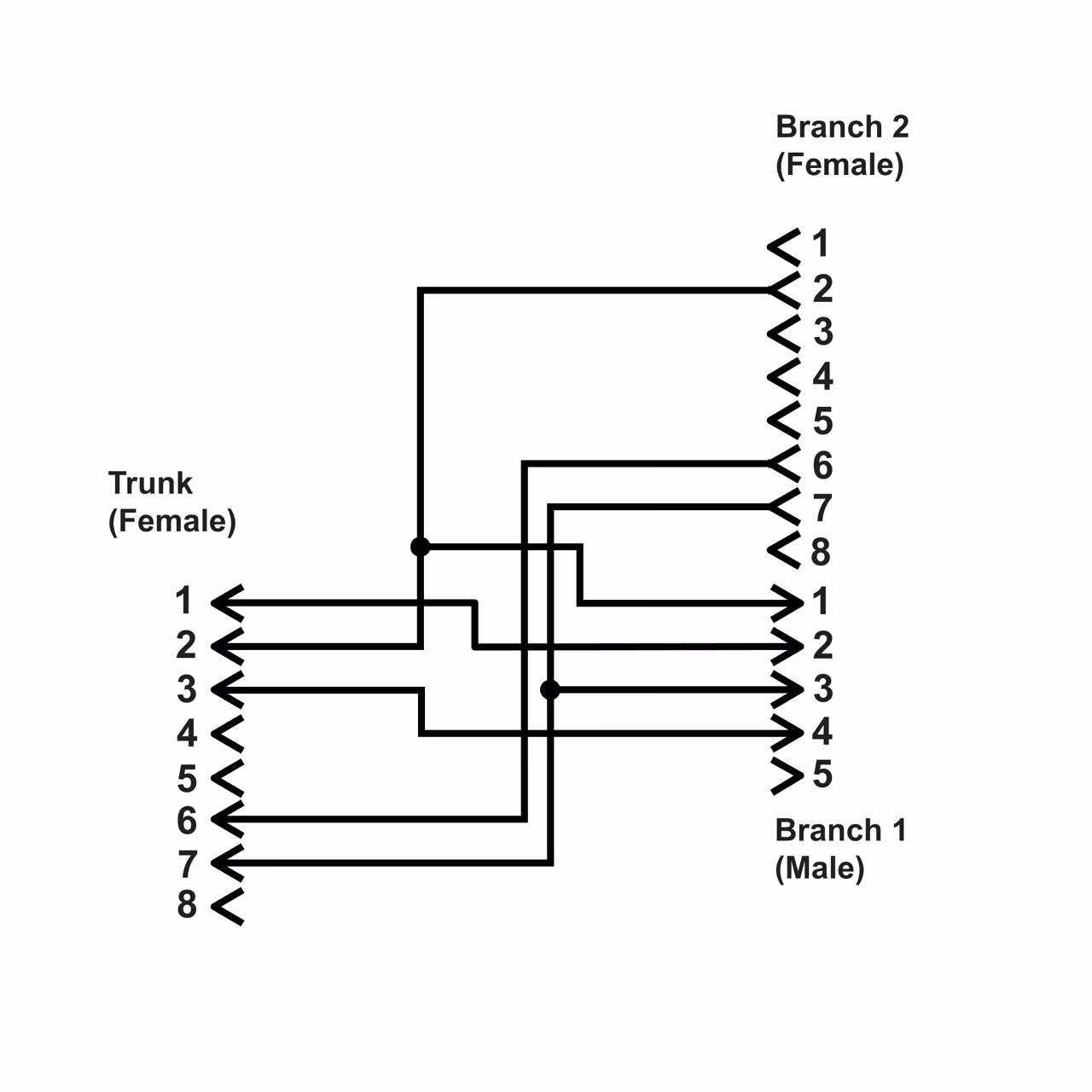
CDS EU/EU/EU 5 M/ 8 F/ 8 F ST/ST/ST DSM5X22 3 GN B
| Item Status | RELEASED |
|---|---|
| Start/Restart interlock | Y |
SKU:
13879
Category: Cordsets
Description
CDS EU/EU/EU 5 M/ 8 F/ 8 F ST/ST/ST DSM5X22 3 GN B
